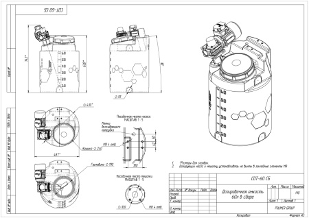
Дозировочная ёмкость CDT60 с тихоходной лопастной мешалкой МиксL
Комплектация
- дозировочная ёмкость CDT 60 объемом 60 л с мерной шкалой;
- тихоходная лопастная мешалка МиксL.
Характеристики мешалки
- Тип: тихоходная лопастная
- Модель: МиксL
- Плотность рабочей среды до 1,84 г/см³
- Мощность двигателя: 0,25 кВт
- Диаметр лопастей: 200 мм
- Длина вала: 400 мм
- Скорость вращения: 140 об/мин
- Количество ярусов: 1
- Материал лопастей и вала: нержавеющая сталь (AISI 304) — устойчив к коррозии и химическим средам
Где применяется
- Подготовка ферментов и заквасок на молочных производствах
- Смешение реагентов на очистных сооружениях
- Приготовление концентратов в лакокрасочной промышленности
- Дозирование жидких добавок в строительных смесях
Ключевое преимущество
Равномерное перемешивание без комков — даже вязких и агрессивных сред.
Идеально для приготовления рабочих растворов, реагентов и добавок на предприятиях пищевой, химической и коммунальной отраслей.
Особенности комплекта
- Полная совместимость мешалки с формой и геометрией ёмкости CDT 60
- Установка — через верхнюю крышку, герметично, без модификаций
- Подходит для сред с плотностью до 1,84 г/см³
- Работает при температурах от -30°C до +60°C
- Энергоэффективный двигатель с защитой от перегрузки
В комплекте: ёмкость, мешалка в сборке, паспорт, инструкция по эксплуатации.
Насос в комплект не входит.
Общие преимущества серии CDT + мешалка МиксL
- Не требует внешнего каркаса — мешалка крепится прямо на крышку
- Тихая работа — подходит для помещений с высокими требованиями к шуму
- Экономия времени — до 30% быстрее, чем ручное перемешивание
- Универсальность — подходит для водных, масляных и химически активных сред
- Лёгкость очистки — гладкие поверхности лопастей и отсутствие «мёртвых зон»
Для покупки товара выберите понравившийся товар и добавьте его в корзину.
Далее перейдите в Корзину и нажмите на «Оформить заказ» или «Быстрый заказ».
Оформляя «Быстрый заказ», заполните данные ФИО, телефон и e-mail. При необходимости добавьте особые условия в поле «Комментарий к заказу». Отправьте заявку нажав на кнопку «ОТПРАВИТЬ». Вам перезвонит менеджер и уточнит условия заказа.
Для оформления заказа в стандартном режиме («Оформить заказ») заполните форму полностью по последовательным этапам: адрес, способ доставки, оплаты, данные о себе.
Советуем в комментарии к заказу написать информацию об адресе доставки. Нажмите кнопку «Оформить заказ».
Доступны следующие варианта оплаты:
- Оплата банковской картой
- при самовывозе на складе или в офисе в г. Мытищи, г. С.-Петербург. Пожалуйста убедитесь заранее о наличии интересующего Вас товара на складе. - Наличными
- только в офисах в г. Мытищи, г. С.-Петербург. Вы оплачиваете сумму за товар в рублях. Затем получаете товар на складе, либо ожидаете доставку. - Безналичный расчет
- в любом из представленных на сайте городов для юридических и физических лиц доступно выставление счета по электронной почте. - Оплата по QR коду для физических лиц
- по телефону или по электронной почте с покупателем согласовываются все вопросы по списку выбранных товаров, по доставке, либо самовывозу. На указанную покупателем электронную почту сотрудник компании присылает счет с QR кодом. Покупатель оплачивает товар в своем банке используя присланный QR код. Подробная инструкция по ссылке.
Доступны следующие варианты доставки:
- Самовывоз со склада.
После получения оплаты за товар сотрудник компании свяжется с Вами и сообщит информацию о дате и адресе склада отгрузки. Пожалуйста заранее уточните габариты товара, чтобы Вы смогли разместить купленный товар в Вашем автомобиле. - Доставка транспортом компании (Москва и область).
После получения оплаты за товар сотрудник компании свяжется с Вами и сообщит информацию о дате доставки. Пожалуйста сообщите дополнительный телефон для связи на случай, если Ваш телефон будет не доступен. - Доставка по России транспортными компаниями.
Для предварительной оценки стоимости доставки в регионы Вы можете воспользоваться калькулятором доставки.
Либо позвоните нам и стоимость доставки по России для Вас рассчитает сотрудник нашей компании. Бесплатный звонок по России 8 (800) 500-78-35. Также Вы можете выбрать транспортную компанию, которой доверяете, а мы рассчитаем стоимость «от двери до двери» или «от склада до склада».
